Принцип работы
Сжатый воздух поступает в ресивер от компрессора по воздухопроводу. При поступлении внутрь, сжатый воздух расширяется, что приводит к изменению скорости и охлаждению воздушного потока с выделением капельной влаги и масла. Присутствие влаги и масла в сжатом воздухе обусловлено влажностью атмосферного воздуха, поступающего для сжатия в компрессорную головку и способом смазки деталей шатунно-поршневой группы. Образующийся в процессе работы конденсат удаляется через сливную пробку.
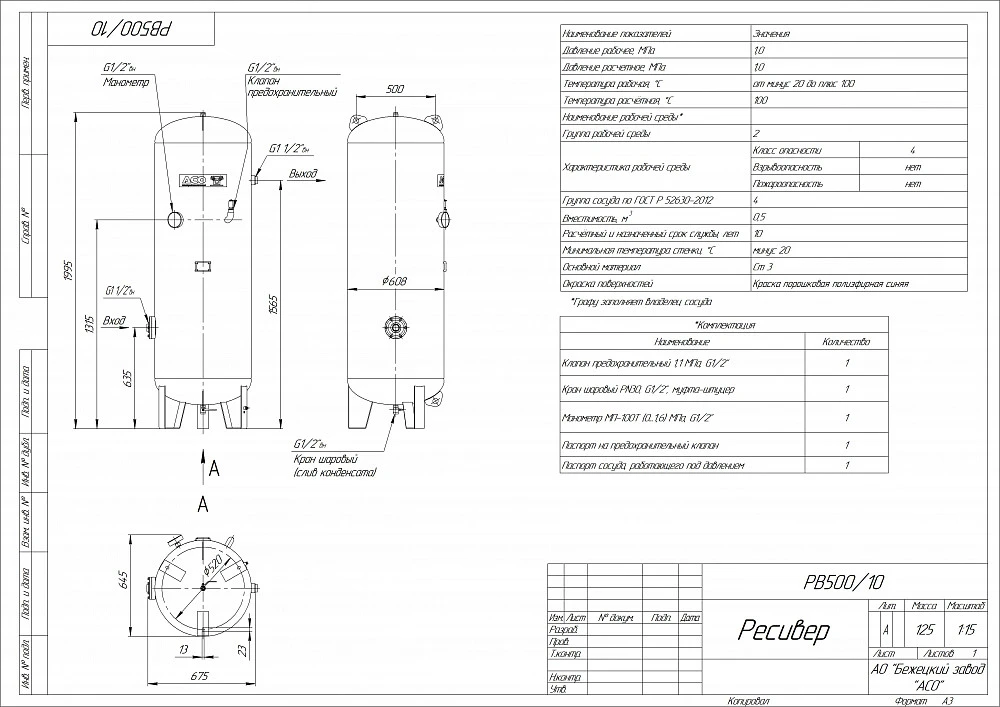
Конструкция ресивера РВ 500/10 обеспечивает возможность проведения технического освидетельствования, обслуживания, ремонта, контроля состояния отдельных узлов и соединений. Манометр позволяет контролировать давление при обслуживании, а предохранительный клапан обеспечивает дополнительную безопасность эксплуатации. Благодаря высокому качеству материалов и подтвержденной расчетами прочности, ресивер может эксплуатироваться с заданными рабочими характеристиками в течение всего срока службы. Наружное покрытие - полиэфирная порошковая краска RAL 5010. Расчетный срок службы - 10 лет. Расчетное число циклов нагружения - 4,9 х 104. Конструкция представляет собой цельносварной воздухосборник из цилиндрической обечайки с приваренными эллиптическими днищами. Установлен на приваренных опорах. Для строповки при отгрузке и монтаже предусмотрены кронштейны.
Монтаж ресивера
Установка ресивера предполагается на открытых площадках в местах, исключающих скопление людей, или отдельно стоящих зданиях.
Допускается установка ресивера:
- в помещениях, примыкающих к производственным зданиям, при условии отделения их капитальной стеной;
- в производственных помещениях в случаях, предусмотренных проектом с учетом норм проектирования данных объектов в отношении сосудов, для которых по условиям технологического процесса или условиям эксплуатации невозможна их установка вне производственных помещений.
Установка ресивера должна обеспечить возможность осмотра, ремонта и очистки его с внутренней и наружной сторон. До начала монтажа необходимо:
- проверить наличие комплекта технической и товаросопроводительной документации;
- комплектность поставки в соответствии с технической и товаросопроводительной документацией;
- проверить общее состояние ресивера на отсутствие повреждений, забоин, вмятин, деформаций, возникших при транспортировании и (или) хранении.
Монтаж ресивера предусматривает:
- установку и выверку ресивера на специальном фундаменте;
- монтаж трубопроводов;
- установку необходимой арматуры, контрольно-измерительных и предохранительных устройств;
- пуско-наладочные работы.
Присоединить воздушную магистраль к ресиверу, исключив возможность возникновения дополнительных напряжений от веса ее и температурных удлинений.
Ресивер должен быть заземлен в соответствии с требованиями ПУЭ.
Техническое обслуживание ресивера
При эксплуатации ресивера согласно утвержденному в эксплуатирующей организации графику в зависимости от режима работы необходимо организовывать периодическое диагностирование технического состояния ресивера с целью определения возможности его безопасной эксплуатации.
Техническое диагностирование в процессе эксплуатации проводят:
- после ремонтно-восстановительных работ с применением сварки;
- при выявлении случаев нарушения установленного регламента эксплуатации (повышения рабочего давления, расширения рабочих температур);
- при утрате паспорта сосуда;
- наступления сроков, установленных по результатам предыдущих технических диагностирований.
Комплектация воздушного ресивера РВ 900/10:
- КЛАПАН ПРЕДОХРАНИТЕЛЬНЫЙ 1,1МПа 1/2"
- МАНОМЕТР ТМ 510Т (0...1,6) МПа 1/2"
- КРАН ШАРОВОЙ PN-16 1/2" (муфта-штуцер)
Для покупки товара в нашем интернет-магазине выберите понравившийся товар и добавьте его в корзину. Далее перейдите в Корзину и нажмите на «Оформить заказ» или «Быстрый заказ».
Когда оформляете быстрый заказ, напишите ФИО, телефон и e-mail. Вам перезвонит менеджер и уточнит условия заказа. По результатам разговора вам придет подтверждение оформления товара на почту или через СМС. Теперь останется только ждать доставки и радоваться новой покупке.
Оформление заказа в стандартном режиме выглядит следующим образом. Заполняете полностью форму по последовательным этапам: адрес, способ доставки, оплаты, данные о себе. Советуем в комментарии к заказу написать информацию, которая поможет курьеру вас найти. Нажмите кнопку «Оформить заказ».
Гарантийный период – это срок, во время которого клиент, обнаружив недостаток товара имеет право потребовать от продавца или изготовителя принять меры по устранению дефекта. Продавец должен устранить недостатки, если не будет доказано, что они возникли вследствие нарушений покупателем правил эксплуатации.
- с момента передачи товара потребителю, если в договоре нет уточнения.
Обслуживание по гарантии включает в себя:
- дефектовка и определение гарантийного случая на базе нашего сервисного центра;
- устранение недостатков товара в нашем сертифицированном сервисном центре;
- транспортные расходы по доставке до нашего сервисного центра покупатель берет на себя.


