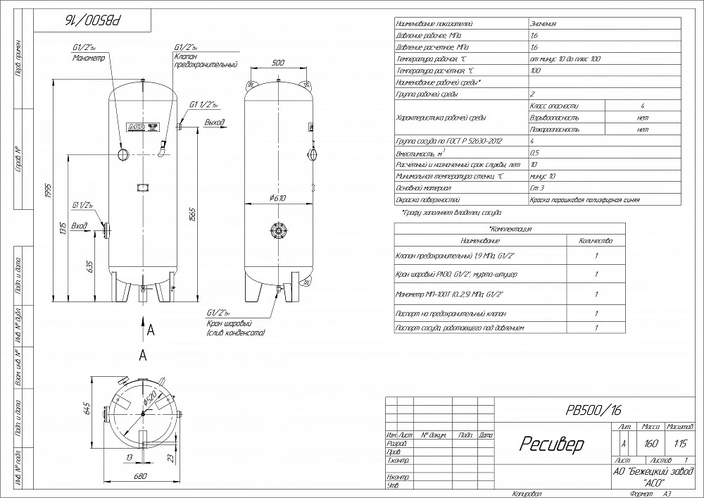
Ресивер РВ 500/16 представляет собой цельносварную конструкцию из цилиндрической обечайки с приваренными эллиптическими днищами и конструктивными элементами (бобышками, кронштейнами). Установлен на приваренных опорах. Для строповки при отгрузке и монтаже имеются кронштейны.
Конструкция обеспечивает возможность проведения технического освидетельствования, обслуживания, ремонта, контроля состояния отдельных узлов и соединений. Манометр позволяет контролировать давление при обслуживании, а предохранительный клапан обеспечивает дополнительную безопасность эксплуатации. Благодаря высокому качеству материалов и подтвержденной расчетами прочности, ресивер может эксплуатироваться с заданными рабочими характеристиками в течение всего срока службы. Наружное покрытие - порошковая полиэфирная краска RAL 5010. Срок службы - 10 лет. Расчетное число циклов нагружения - 4,9 х 104.
Основные функции
- накопление и хранение используемого в технологическом процессе сжатого воздуха;
- стабилизация давления и сглаживание пульсаций воздушного потока в пневматической системе;
- обеспечение работы компрессора в оптимальном для него режиме;
- уменьшение числа перепусков компрессора;
- сбор конденсата и его отвод через пробку для слива;
- охлаждение сжатого воздуха в системе.
Принцип работы
Сжатый воздух поступает от компрессора по воздухопроводу через специально оборудованное отверстие. Попав внутрь, сжатый воздух расширяется, изменение скорости потока приводит к охлаждению воздуха и выделению капельной влаги и масла. Присутствие капельной влаги и масла в сжатом воздухе обусловлено влажностью атмосферного воздуха, поступающего для сжатия в компрессорную головку и способом смазки деталей шатунно-поршневой группы. Полученный конденсат сливают через сливную пробку.
Бежецкий завод АСО более восьмидесяти лет производит воздухосборники объёмом от 10 до 900 литров для сжатого воздуха давлением до 25 атм. Ресиверы окрашиваются на автоматической итальянской линии порошковой окраски. Каждый ресивер в процессе изготовления проходит полный комплекс обязательных испытаний и контроль качества, что гарантирует полную безопасность при эксплуатации. Продольный шов и кольцевые сварные соединения подвергаются контролю методом ультразвуковой дефектоскопии.
При вводе в эксплуатацию ресивер не подлежит регистрации в органах Ростехнадзора, так как для сосудов, работающих со средой 2-й группы (согласно ТР ТС 032/2013) при температуре стенки не выше 200°С, произведение значений рабочего давления (МПа) и вместимости (м3) не превышает 1,0 (п.215 ФНП).
Для увеличения ресурса ресурса и повышения надежности работы ресивера рекомендован периодический контроль сварных соединений, проверка арматуры, измерительных приборов и предохранительных устройств, а также обследование защитного покрытия и поддержание его в надлежащем состоянии.
Ресивер поставляется в комплекте с манометром, предохранительным клапаном и паспортом сосуда, работающего под давлением. Транспортирование осуществляется любым видом транспорта с учетом требований Правил, действующих для соответствующего вида транспорта. Для упаковки применяются дощатые ящики (обрешетка). Способ хранения должен обеспечивать сохранность качества ресивера, предохранять его от коррозии, загрязнения, механических повреждений и деформации. При сроках хранения более года, при условии хранения в закрытом неотапливаемом помещении, должна быть произведена переконсервация.
Для покупки товара в нашем интернет-магазине выберите понравившийся товар и добавьте его в корзину. Далее перейдите в Корзину и нажмите на «Оформить заказ» или «Быстрый заказ».
Когда оформляете быстрый заказ, напишите ФИО, телефон и e-mail. Вам перезвонит менеджер и уточнит условия заказа. По результатам разговора вам придет подтверждение оформления товара на почту или через СМС. Теперь останется только ждать доставки и радоваться новой покупке.
Оформление заказа в стандартном режиме выглядит следующим образом. Заполняете полностью форму по последовательным этапам: адрес, способ доставки, оплаты, данные о себе. Советуем в комментарии к заказу написать информацию, которая поможет курьеру вас найти. Нажмите кнопку «Оформить заказ».
Гарантийный период – это срок, во время которого клиент, обнаружив недостаток товара имеет право потребовать от продавца или изготовителя принять меры по устранению дефекта. Продавец должен устранить недостатки, если не будет доказано, что они возникли вследствие нарушений покупателем правил эксплуатации.
- с момента передачи товара потребителю, если в договоре нет уточнения.
Обслуживание по гарантии включает в себя:
- дефектовка и определение гарантийного случая на базе нашего сервисного центра;
- устранение недостатков товара в нашем сертифицированном сервисном центре;
- транспортные расходы по доставке до нашего сервисного центра покупатель берет на себя.


